

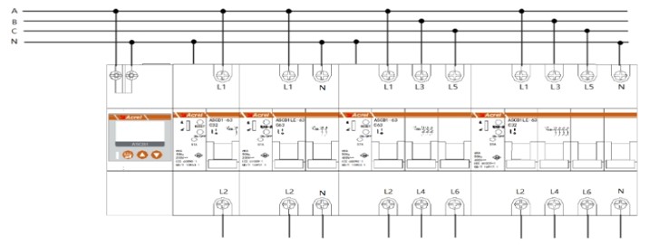
ASCB1系列智能微型斷路器是安科瑞電氣股份有限公司全新推出的智慧用電產品,產品由智能微型斷路器與智能網關兩部分組成,可用于對用電線路的關鍵電氣因素,如電壓、電流、功率、溫度、漏電、能耗等進行實時監測...
立即咨詢ASCB1系列智能微型斷路器是安科瑞電氣股份有限公司全新推出的智慧用電產品,產品由智能微型斷路器與智能網關兩部分組成,可用于對用電線路的關鍵電氣因素,如電壓、電流、功率、溫度、漏電、能耗等進行實時監測,具有遠程操控、預警保護、短路保護、電能計量統計、故障定位等功能,應用于戶內建筑物及類似場所的工業、商業、民用建筑及基礎設施等領域低壓終端配電網絡。
商場、超市等購物場所
養老院、福利院、孤兒院等社會福利機構
圖書館、博物館、科技館、文化館等文化活動中心
車站、軌道交通等交通樞紐
易燃易爆倉庫、木材加工、紡織、噴涂、制藥等企業
酒吧,網吧等娛樂場所
幼兒園、小學、大學等學校場所
運營商及鐵塔基站
道路照明、園區照明、隧道照明
冶金、化工、紡織等工業電動機及電力系統
醫院、銀行、酒店等人員密集場所